language

SOLUZIONI MECCANICHE PER L'ELETTRONICA

Produzione di pulegge per cinghie dentate MXL, XL, L, T2.5, T5, T10, AT5

Produzione di ingranaggi a denti dritti ed elicoidali da modulo 0.4 a modulo 3

Produzione di componenti meccanici per apparecchiature da laboratorio

Stampaggio con tecnologia RIM di piccole serie di scatole per apparecchiature scientifiche ed elettroniche

Soluzioni meccaniche per l'elettronica

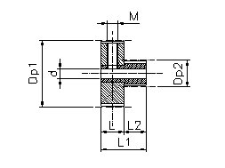
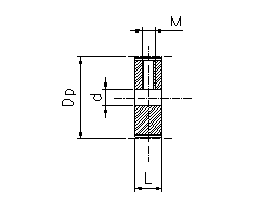
Pulegge dentate

Produzione di pulegge standard e speciali per cinghie dentate tipo MXL - XL - - L - T2.5 - T5 - T10 - AT5. Tutte le nostre pulegge vengono tornite e dentate in un'unica fase di lavoro su moderne macchine a controllo numerico, ciò consente di garantire il massimo centraggio tra la zona dentata ed il foro di montaggio. La dentatura è realizzata con asportazione di truciolo mediante frese speciali a creatore al fine di garantire un corretto e preciso accoppiamento tra la puleggia e la cinghia per ogni numero di denti realizzato. La gamma standard è realizzata in anticorodal UNI 6082 senza trattamento superficiale; a richiesta è possibile effettuare trattamento di cromatizzazione gialla, anodizzazione in vari colori oppure utilizzare altri tipi di materiali come 11S(AlCu5,5PbBi), ottone OT58 e Delrin.

Catalogo_completo_2003-07-02.pdf

Utensili speciali

Le nostre varietà di utensili speciali come portalame, portautensili ecc.

utensili_speciali utensili_speciali

Parco macchine

Il parco macchine ha subito nel tempo continui aggiornamenti sempre rivolti al rinnovamento tecnologico dell'azienda arrivando a poter realizzare un'ampia gamma di tipologie di componenti meccanici…

utensili_speciali utensili_speciali

Stampaggio poliuretano

Per realizzare alcuni dei nostri prodotti, utilizziamo lo stampaggio in poliuretano con tecnologia RIM a bassa pressione. Il poliuretano è un materiale estremamente versatile che trova applicazione in vari settori industriali.

stampaggio_poliuretano stampaggio_poliuretano
presentazione_produzione

Presentazione produzione

La ORAS S.r.l. nasce nel 1975 come azienda prettamente artigianale rivolta a risolvere problemi di riparazione e costruzione di apparecchiature scientifiche. Nel corso degli anni l'attività predominante dell'azienda è divenuta la produzione di componenti meccanici e qui puoi trovare alcuni esempi di prodotti da noi realizzati.

Come raggiungerci

Per raggiungere agevolmente la ORAS s.r.l. provenendo dalla A1 occorre prendere l'uscita San Cesareo, si svolta a destra sulla SS216 via Maremmana, dopo circa 200mt si svolta a sinistra, dopo 50mt alla rotatoria prendere la seconda uscita, 500mt ultimo capannone sulla destra.

Contattaci

Telefono: +39 0623269209
Fax: +39 0623270455
Indirizzo postale
Sede legale: Via dei Chiurli ,n°12 00169 Roma
Sede operativa: Via di Campo Gillaro, n°29B - 00030 San Cesareo (Rm)

Posta elettronica
Informazioni generali: info@officineoras.it
Vendite: ceccarelli@officineoras.it
Supporto Tecnico Clienti: deangelis@officineoras.it